H3260
Articol
H3260
Dimensiuni
Brand
Țara de origine
URB - România, SKF - Uniunea Europeană
Trimite solicitare
Specificații
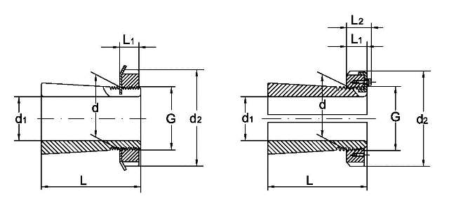
Diametru interior
300 mm
d2 (mm)
380
L (mm)
240
L1 (mm)
40
Lock nut ()
HM3160
D1 (mm)
280
kg ()
32
G (mm)
Tr 300 X 4
L2 (mm)
53
Locking Device ()
MS3160